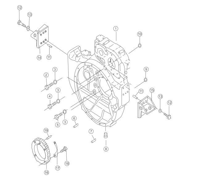
Shantui SD32 Flywheel Housing 6710-23-4110
Part Name: Flywheel Housing
Part Number: 6710-23-4110
Machine Model: SD32
Hotline:0086-18052293627 (whatsapp & wechat)
Mail: bulldozer@cnfocusgroup.com
| 序号 |
部件号 |
零件名称 |
|
数量 |
适用机型 |
| NO. |
PART NO. |
PART NAME |
|
Q'TY |
MODEL |
| 0 |
6710-23-4000 |
动力输出箱总成 |
Power output box ass'y |
1 |
|
| 1 |
6710-23-4110 |
飞轮罩壳 |
Flywheel housing |
1 |
|
| 2 |
6710-23-4120 |
螺栓 |
Bolt |
2 |
|
| 3 |
6600-01-2740 |
弹簧垫圈 |
Spring washer |
9 |
|
| 4 |
6710-23-4130 |
螺栓 |
Bolt |
5 |
|
| 5 |
6710-23-4140 |
螺栓 |
Bolt |
2 |
|
| 6 |
6711-21-C010-01 |
圆柱销 |
Cylindrical pin |
1 |
|
| 7 |
6711-21-C010-02 |
圆柱销 |
Cylindrical pin |
1 |
|
| 8 |
07042-20415 |
螺塞 |
Screw plug |
1 |
|
| 9 |
07046-12016 |
皿形塞 |
Plug |
4 |
|
| 10 |
07046-15520 |
皿形塞 |
Plug |
1 |
|
| 11 |
04020-01434 |
圆柱销 |
Cylindrical pin |
4 |
|
| 12 |
01010-51860 |
螺栓 M18*60 |
Bolt M18*60 |
8 |
|
| 13 |
6710-23-4730 |
衬垫 |
Gasket |
8 |
|
| 14 |
6710-23-4720 |
后托架 ( 左 ) |
Rear bracket (L.H.) |
1 |
|
| 15 |
6710-23-4710 |
后托架 ( 右 ) |
Rear bracket (R.H.) |
1 |
|
| 16 |
6623-31-1371 |
传动泵齿轮 |
Gear, Drive pump |
1 |
|
| 17 |
6623-31-1380 |
锁垫 |
Lock washer |
2 |
|
| 18 |
01010-31255 |
螺栓 |
Bolt |
4 |
|
| 19 |
6623-31-1390 |
定位销 |
Pin, Dowel |
1 |
|


